SZYBKA WYSYŁKA INPOST DZIS DO 15:00
DARMOWA DOSTAWA OD 99zł






Dostępność: Aktualnie niedostępny
Czas wysyłki: 24 godziny
Koszt wysyłki: od 0,00 zł
Numer katalogowy: XAPR0000066
Stan magazynowy:
Stan produktu: Nowy
Gwarancja: 12 miesięcy
APR0000066

Sterownik temperatury REX-C100 montowany jest m.in w wielu popularnych stacjach lutowniczych przeznaczonych do napraw układów BGA oraz bardzo szeroko w przemyśle w urządzeniach tj wtryskarki, zgrzewarki, maszyny pakujące, wytłaczarki, piece, chłodnie oraz w wielu innych urządzeniach wymagających precyzyjnej regulacji temperatury.
Jego celem jest utrzymanie temperatury na poziomie zadanej wartości (SV) poprzez badanie jej (PV) przez podłączoną termoparę typu: K, J, R, S, B, E, T, N (JIS/IEC), PLII (NBS) W5Re/W26Re (ASTM), U, L (DIN), Pt100 (JIS/IEC), JPt100 (JIS).
REX-C100 w zależności od podłączonej termopary może regulować temperaturę w zakresie -199-1820°C.
Fabryczne ustawienia sterownika to SLH (temp max.)= 400°C oraz SL1(czujnik typu K)=0000.
Parametry te zmienia się z poziomu menu.
Regulator posiada 3 diody LED które sygnalizują:


Parametry REX C100FK02-V*AN:
Szybkie podłączenie REX C100FK02-V*AN:
Szczegółowe informacje techniczne i ustawienia dostarczamy w angielskiej i polskiej instrukcji obsługi
W komplecie również czujnik temperatury typu K umieszczony wewnątrz osłony ze stali nierdzewnej z przewodem o długości 1,5m.
Czujniki tego typu stosowane bardzo szeroko w przemyśle: wtryskarki, maszyny wulkanizacyjne, piece, komory cieplne.
Parametry techniczne czujnika typu K:


Dodatkowo w komplecie przekaźnik półprzewodnikowy HOYMK SSR-40DC-DC.
Parametry techniczne przekaźnika SSR:
Żywotność przekaźników SSR jest nieograniczona przy założeniu, że są one odpowiednio chłodzone. W celu zapewnienia ich długotrwałej pracy należy zapewnić odpowiednie odprowadzenie ciepła poprzez stosowanie radiatorów (powyżej 5A), pasty termoprzewodzącej jak i wymuszonego obiegu powietrza stosując odpowiednio wydajne wentylatory (powyżej 25A).
Obniżenie temperatury o 10°C wydłuża dwukrotnie przewidywany okres eksploatacji przekaźników SSR.
W zestawie znajduje się również radiator który zapewnia przekaźnikowi SSR lepsze chłodzenie oraz żywotność.
Radiator można montować na płaskiej powierzchni (przygotowane otwory).
Parametry techniczne:
Pastę termoprzewodzącą znajdziesz na naszych pozostałych aukcjach.

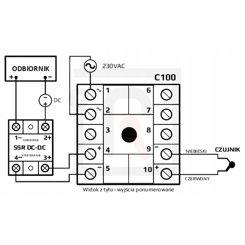
Schemat prawidłowego podłączenia. Prosimy zwracać uwagę na polaryzację przy połączeniu odbiornika z przekaźnikiem SSR.

Poniżej przykładowe zabezpieczenia przekaźników SSR DC-DC:

Potrzebujesz przekaźniki półprzewodnikowe SSR oraz termopary - sprawdź nasze pozostałe aukcje.
Nikt jeszcze nie napisał recenzji do tego produktu. Bądź pierwszy i napisz recenzję.
Tylko zarejestrowani klienci mogą pisać recenzje do produktów. Jeżeli posiadasz konto w naszym sklepie zaloguj się na nie, jeżeli nie załóż bezpłatne konto i napisz recenzję.